旋转填充床中快猫社区APP成人官网氧化处理兰炭废水生化出水
兰炭废水是指煤在中低温干馏(约650 ℃)加工过程中产生的废水。兰炭废水中的无机污染物主要有硫化物、氰化物、氨氮和硫氰化物等,有机污染物主要为煤焦油类物质,包括含量很高的酚类,单环及多环的芳香族化合物,以及含氮、硫、氧的杂环化合物等。因此,兰炭废水具有成分复杂、污染物浓度高、色度高、毒性大、性质稳定的特点,属于较难处理的工业废水之一。相关企业一般采用常规生化处理工艺处理兰炭废水,但由于其可生化性差,效果并不理想。
近年来,高级氧化工艺(AOP)因其氧化能力强、处理效率高的优点,正成为水处理领域研究的热点之一。目前常用的AOP 包括快猫社区APP成人官网氧化法、Fenton 氧化法、O3-Fenton 氧化法、O3-H2O2 氧化法、电催化氧化法等。快猫社区APP成人官网对污染物的氧化降解主要通过快猫社区APP成人官网直接与污染物反应,或者快猫社区APP成人官网经过链式反应生成氧化能力更强的羟基自由基,由羟基自由基氧化降解污染物。
由旋转填充床(RPB)实现的超重力技术是一种过程强化技术。RPB 通过旋转的填料产生离心力场模拟超重力环境。在超重力环境下,由于离心力的作用液体在填料内径向流动,被填料破碎成微米至纳米级的不断更新的液膜、液滴和液丝,从而产生巨大的相间接触面积,极大地强化了传递过程,使得处理效率大幅提高。YANG 等通过超重力场中快猫社区APP成人官网传质性能与水中快猫社区APP成人官网自分解动力学研究,证实了超重力技术一方面可强化快猫社区APP成人官网传质,增加单位时间内快猫社区APP成人官网在水中的溶解量,另一方面超重力技术的强湍动特性加快了水中快猫社区APP成人官网自分解反应速率,使得单位时间内·OH 的产生量增加。本研究以RPB 为反应器,采用快猫社区APP成人官网氧化工艺深度处理实际兰炭废水一级生化池出水,目的是提高出水的可生化性,以便进入下一级生化处理装置进行深度处理,考察了快猫社区APP成人官网浓度、RPB 转速、气液比、pH、温度和RPB 处理级数对废水处理效果和快猫社区APP成人官网利用率的影响,为兰炭废水的处理提供一种新思路。
1 实验部分
1.1 材料、试剂和仪器
废水:陕西省榆林市某兰炭企业生产废水经前端一级传统生化工艺处理后的生化池出水,随生产情况变化水质有一定波动,COD 为300~400 mg/L,BOD5 为20~65 mg/L,BOD5/COD 为0.07~0.18,pH 为7~8。氢氧化钠、浓硫酸:分析纯,购自北京化工厂。采用l mol/L 的NaOH 溶液和l mol/L 的H2SO4 溶液调节废水pH。RPB:实验室自行设计制作,外壳内径180 mm,转子内径40 mm、外径120mm,填料为不锈钢金属网,填料层轴向厚度15 mm。
3S-A10 型快猫社区APP成人官网发生器:快猫社区APP成人官网产生量10 g/h,功率180 W,北京快猫成人短视频科技有限公司。3S-J5000型台式气相快猫社区APP成人官网浓度检测仪:量程0~200 mg/L,北京快猫成人短视频科技有限责任公司。5B-3A 型COD 快速分析仪:兰州连华环保。BD600 型BOD 测定仪:德国罗威邦公司。SHP-160 型生化培养箱:常州普天仪器制造有限公司。
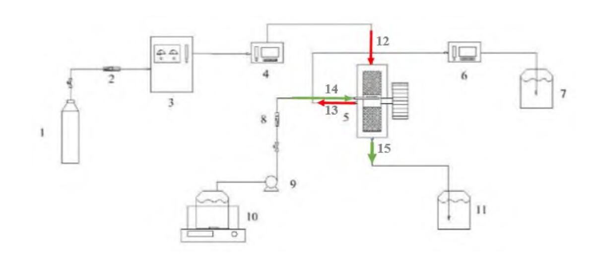
1.2 实验装置及流程
实验装置如图1 所示。将调节至一定pH 的废水置于设定好温度的储槽中;利用氧气作为气源通过
快猫社区APP成人官网发生器产生快猫社区APP成人官网并由进气口通入RPB 中,通过调节气体流量计控制进气流量至设定值90 L/h,当进气快猫社区APP成人官网浓度分析仪上的示数达到所需浓度(通过调节快猫社区APP成人官网发生器的功率控制快猫社区APP成人官网浓度)且稳定时开启RPB,调节RPB 转速至设定值;废水通过蠕动泵由进液口流入RPB 中,通过调节液体流量计控制进液流量,从而控制气液比(进气流量与进液流量的比);气液两相在RPB 中逆流接触并反应,反应后废水从RPB 底部的出液口流出至废液槽,反应后气体从RPB 中部的出气口流出,经KI 溶液吸收剩余快猫社区APP成人官网后排放。待处理废水一次通过RPB 的过程为一级处理,经一级处理完毕的废水倒入储槽中再次进入RPB 中进行反应即为二级处理。待出气快猫社区APP成人官网浓度检测仪示数稳定后即可对出液口流出液体进行取样分析。

快猫社区APP成人官网实验装置示意图
1 O2 钢瓶;2 气体流量计;3 快猫社区APP成人官网发生器;4 进气快猫社区APP成人官网浓度分析仪;5 RPB;6 出气快猫社区APP成人官网浓度分析仪;7 尾气吸收装置;8 液体流量计;9蠕动泵;10 带控温装置的废水储槽;11 废液槽;12 进气口;13 出气口;14 进液口;15 出液口
1.3 分析方法
采用台式气相快猫社区APP成人官网浓度检测仪测定气体快猫社区APP成人官网质量浓度,根据进出口气体的快猫社区APP成人官网质量浓度计算其利用率。按照国标《水质 化学需氧量的测定 快速消解分光光度法》(HJ/T 399—2007)测定水样COD,根据处理前后的水样COD 计算其去除率。按照国标《水质五日生化需氧量(BOD5)的测定 稀释与接种法》(HJ505—2009)[16],在生化培养5d 后使用BOD 测定仪测定水样BOD5,计算BOD5/COD。
2 结果与讨论
2.1 进气快猫社区APP成人官网浓度的影响
待处理废水COD 为316.4 mg/L,BOD5/COD 为0.08。在RPB 转速为1 500 r/min、气液比为5︰1、初始废水pH 为7.11、废水温度为16.0 ℃的条件下进行一级处理,考察进气快猫社区APP成人官网浓度对废水处理效果和快猫社区APP成人官网利用率的影响,结果如图2 所示。
由图2a 可见,随着进气快猫社区APP成人官网浓度的增加,废水COD 去除率不断提高,但快猫社区APP成人官网利用率不断降低。快猫社区APP成人官网浓度越高,则有越多的快猫社区APP成人官网与水中污染物反应,使得COD 去除量增加;但由于进液量一定,快猫社区APP成人官网浓度过高时,部分快猫社区APP成人官网未发生作用就随尾气排出,造成快猫社区APP成人官网的浪费。
由图2b 可见,随着进气快猫社区APP成人官网浓度的增加,BOD5 先升高再降低,可能原因是快猫社区APP成人官网浓度增加,水中难降解的大分子物质更多地分解成小分子物质,易于被微生物降解,但快猫社区APP成人官网浓度过高时,部分物质直接被氧化成CO2 和H2O,导致BOD5 降低;当进气快猫社区APP成人官网质量浓度为50 mg/L 时,BOD5/COD 值很高,为0.19,是原水的2.38 倍,说明处理后废水的可生化性明显提高。
综合考虑,选择进气快猫社区APP成人官网质量浓度为50 mg/L。
2.2 RPB 转速的影响
待处理废水COD 为308.2 mg/L,BOD5/COD 为0.10。在进气快猫社区APP成人官网质量浓度为50 mg/L、气液比为5︰1、初始废水pH 为7.12、废水温度为16.0 ℃的条件下进行一级处理,考察RPB 转速对废水处理效果和快猫社区APP成人官网利用率的影响,结果如图3 所示。
由图3a 可见,随着RPB 转速的增加,废水COD 去除率不断提高,快猫社区APP成人官网利用率也随之增加。转速提高可以使液相在RPB 中被切割成体积更小的液滴、液丝和液膜,增加液相与气相的接触面积,增强混合和传质效果,从而改善COD 的去除效果。
由图3b 可见:随着RPB 转速的增加,BOD5 基本保持不变,原因可能是转速较低时,已将水中易分解的大分子物质分解成小分子物质,故转速继续增加对BOD5 的影响不明显;当转速为1 500 r/min 时,
BOD5/COD 为0.23,是原水的2.30 倍,废水可生化性较好。
综合考虑,选择RPB 转速为1 500 r/min。
2.3 气液比的影响
待处理废水COD 为311.4 mg/L,BOD5/COD 为0.07。在进气快猫社区APP成人官网质量浓度为50 mg/L、RPB 转速为1500 r/min、初始废水pH 为7.12、废水温度为15.0 ℃的条件下进行一级处理,考察气液比对废水处理效果和快猫社区APP成人官网利用率的影响,结果如图4 所示。
由图4a 可见,随着气液比的增大,COD 去除率不断提高,但快猫社区APP成人官网利用率不断降低。在相同的气量条件下,气液比增加意味着进液量减小,单位时间内快猫社区APP成人官网与一定体积废水接触的快猫社区APP成人官网总量相对增加、快猫社区APP成人官网浓度相对加大,从而促进了水中污染物的降解,强化了废水的处理效果,故在低液量时COD 的去除率较高。但液量减小,单位时间内与快猫社区APP成人官网反应的物质减少,导致快猫社区APP成人官网利用率降低。由图4b 可见,随着气液比的增大,BOD5 基本保持不变,原因可能是,气量一定时液量的变化直接影响的是处理量,而对水中物质的氧化分解程度影响较小;当气液比为5︰1 时,BOD5/COD 为0.19,是原水的2.71 倍。
综合考虑,选择适宜的气液比为5︰1。
2.4 初始废水pH 的影响
待处理废水COD 为357.0 mg/L,BOD5/COD 为0.12。在进气快猫社区APP成人官网质量浓度为50 mg/L、RPB 转速为1500 r/min、气液比为5︰1、废水温度为20.0 ℃的条件下进行一级处理,考察初始废水pH 对废水处理效果和快猫社区APP成人官网利用率的影响,结果如图5 所示。
由图5a 可见,随着初始废水pH 的升高,废水COD 去除率和快猫社区APP成人官网利用率均不断增加。在溶液中快猫社区APP成人官网氧化有两种途径[17],直接快猫社区APP成人官网氧化和快猫社区APP成人官网反应生成·OH 进行间接氧化。水中快猫社区APP成人官网生成·OH 的过程如式(1)~(3)所示。快猫社区APP成人官网的氧化还原电位为2.07 V,·OH 的氧化还原电位为2.80 V。·OH 具有更强的氧化性,可以无选择性地降解有机物,增强处理效果,提高快猫社区APP成人官网利用率。随着废水pH 的升高,在中性及碱性范围内,水中OH-浓度较高,促进了·OH 的产生,使得废水的处理效果增强。
H2O↔H++OH- (1)
O3+OH-→HO2-+O2 (2)
O3+HO2-→∙OH+O2+O2- (3)
由图5b 可见,随着初始废水pH 的升高,COD 不断降低,BOD5 也略有降低,水体的BOD5/COD 变化不大,整体保持在较高水平。原因可能是,随着初始废水pH 的升高,促进了·OH 的产生,在·OH 的作用下,部分容易降解的物质直接被氧化成CO2 和H2O,导致BOD5 出现小幅下降。现场原水pH 在7~8 间波动,考虑到实际生产需求,初始废水pH 保持原水pH 进行实验,不加处理。
2.5 废水温度的影响
待处理废水COD 为357.0 mg/L,BOD5/COD 为0.18。在进气快猫社区APP成人官网质量浓度为50 mg/L、RPB 转速为1500 r/min、气液比为5︰1、初始废水pH 为7.15 的条件下进行一级处理,考察废水温度对废水处理效果和快猫社区APP成人官网利用率的影响,结果如图6 所示。
由图6a 可见,随着温度的升高,废水COD 去除率不和快猫社区APP成人官网利用率均不断增加。温度升高,分子运动加剧,一方面提高了反应速率,另一方面强化了废水与快猫社区APP成人官网的混合,处理效果增强。由图6b 可见,随着温度的升高,BOD5 变化不大,BOD5/COD 整体保持在较高水平,可能的原因是,温度的升高加快了反应速率,促进了COD 的降解,但对于BOD5 的产生影响较小,导致BOD5/COD 差异不大;当温度为25.0 ℃时,BOD5/COD 为0.27,是原水的1.50 倍,废水的可生化性较好。虽然温度对COD 的影响较为明显,考虑到处理工艺的经济性,选择废水处理在常温下进行,不调节温度。
2.6 处理级数的影响
待处理废水COD 为340.0 mg/L,BOD5/COD 为0.18。在进气快猫社区APP成人官网质量浓度为50 mg/L、RPB 转速为1500 r/min、初始废水pH 为7.77、废水温度为24.7 ℃的条件下,考察处理级数对废水处理效果和快猫社区APP成人官网利用率的影响,结果如表1 所示。
由表1 可见:RPB 两级处理效果明显优于一级处理;当气液比分别为2︰1 和5︰1 时,一级处理的COD 去除率分别为9.6%和13.2%,经过第二级进一步处理后,COD 的总去除率分别提高至16.0%和19.7%,表明增加处理级数可改善COD 的降解效果。由表1 还可见,当气液比分别为2︰1 和5︰1 时,一级处理后BOD5/COD 分别由原水的0.18 提升至0.25 和0.28,经第二级进一步处理后,BOD5/COD 进一步升至0.29和0.34,分别为原水的1.61 和1.89 倍,表明增加处理级数可进一步提高废水的可生化性。经过RPB 两级处理后,出水基本满足后续生化处理要求。
3 结论
a)以RPB 为反应器,采用快猫社区APP成人官网氧化工艺深度处理实际兰炭废水一级生化池出水。适宜的工艺条件为:保持进气流量90 L/h 不变,不调节废水pH 和温度,控制快猫社区APP成人官网质量浓度50 mg/L、气液比5︰1、RPB 转速1 500 r/min,进行二级处理。b)在上述工艺条件下,处理COD 为340.0 mg/L、BOD5/COD 为0.18、pH 为7.77、温度为24.7 ℃的废水,处理后出水COD 去除率为19.7%,BOD5/COD 为0.34,可生化性大幅提高,可满足后续生化处理要求。
常佳伟,樊金梦,王 伟,赵 磊,邵 磊
1. 北京化工大学 有机无机复合材料国家重点实验室,北京 100029;
2. 北京化工大学 教育部超重力工程研究中心,北京 100029;
3. 北京万邦达环保技术股份有限公司,北京 100875)
参 考 文 献
[1] 卢永,申世峰,严莲荷,等. 焦化废水生化处理研究新进展[J]. 环境工程,2009,27(4):13-16.
[2] 徐杰峰,王敏,卓悦. 新型兰炭企业生产污水“零排放”工艺研究[J]. 地下水,2009,31(5):143-146.
[3] 雷乐成,汪大翚. 水处理高级氧化技术[M]. 北京:化学工业出版社,2001:3-12.
[4] 魏令勇,郭绍辉,阎光绪. 高级氧化法提高难降解有机污水生物降解性能的研究进展[J]. 水处理技术,2011,37(1):14-19.
[5] 王超,姚淑美,彭叶平,等. 高级氧化法处理抗生素废水研究进展[J]. 化工环保,2018,38(2):135-140.
[6] 陈思莉,汪晓军,顾晓扬,等. 高级氧化处理苯酚废水的研究[J]. 环境科学与技术,2008,31(1):96-99.
[7] 钟理,陈建军. 高级氧化处理有机污水技术进展[J]. 工业水处理,2002,22(1):1-5.
[8] 陈德强. 高级氧化法处理难降解有机废水研究进展[J]. 环境保护科学,2005,31(6):20-23.
[9] 刁金祥,刘有智,焦纬洲,等. 超重力旋转填料床应用研究进展[J]. 化工生产与技术,2006,13(1):48-51.
[10] 王丹,单明军,王伟,等. 超重力-O3-Fenton 氧化法深度处理彩涂废水[J]. 化工环保,2016,36(5):527-531.
[11] LIU T R, WANG D, WANG W, et al. Study on the efficient production of ozone water by a rotating packed bed [J]. Ind Eng Chem Res, 2019, 58(17): 7227-7232.
[12] WANG D, LIU T R, MA L, et al. Modeling and experimental studies on ozone absorption into phenolic solution in a rotating packed bed [J]. Ind Eng Chem Res, 2019, 58(17): 7052-7062.
[13] YANG P Z, LUO S, LIU H Y, et al. Aqueous ozone decomposition kinetics in a rotating packed bed [J]. J Taiwan Inst Chem Eng, 2019, 96: 11-17.
[14] ZENG Z Q, ZOU H K, LI X, et al. Degradation of phenol by ozone in the presence of Fenton reagent in a rotating packed bed [J]. Chem Eng J, 2013, 229: 404-411.
[15] 国家环境保护总局科技标准司. 水质 化学需氧量的测定 快速消解分光光度法:HJ/T 399—2007[S]. 北京:中国环境科学出版社,2008.
[16] 环境保护部科技标准司. 水质 五日生化需氧量(BOD5)的测定 稀释与接种法:HJ 505—2009[S]. 北京:中国环境科学出版社,2009.
[17] PERA-TITUS M, GARCÍA-MOLINA V, BAÑOS M A, et al. Degradation of chlorophenols by means of advanced oxidation processes: a general review [J]. Appl Catal, B, 2004, 47(4): 219-256.
[18] ABU AMR S S, AZIZ H A. New treatment of stabilized leachate by ozone/Fenton in the advanced oxidation process [J]. Waste Manage, 2012, 32(9): 1693-1698.