北京快猫成人短视频快猫社区APP成人官网拥有20年快猫社区APP成人官网应用经验,结合快猫社区APP成人官网实验,北京快猫成人短视频推出了实验用快猫社区APP成人官网发生器、内置制氧一体式快猫社区APP成人官网发生器、进口高浓度快猫社区APP成人官网发生器、低浓度快猫社区APP成人官网发生器、快猫社区APP成人官网在线检测仪等用于快猫社区APP成人官网实验的快猫社区APP成人官网设备。
北京快猫成人短视频提供标准快猫社区APP成人官网方案、快猫社区APP成人官网脱色实验、快猫社区APP成人官网活性炭、快猫社区APP成人官网高级催化氧化实验、快猫社区APP成人官网气体实验、快猫社区APP成人官网无机氧化、高浓度快猫社区APP成人官网水、污水快猫社区APP成人官网+催化剂深度处理实验等解决方案!
他们正在使用北京快猫成人短视频快猫社区APP成人官网提供的快猫社区APP成人官网发生器和服务,让快猫成人短视频充满感恩,不断向前,未来快猫成人短视频将倍加努力,致力于为客户提供更好的产品和服务!
[04-25] 3S-T10快猫社区APP成人官网发生器被应用于众多快猫社区APP成人官网实
[02-19] 布鲁克EPR波谱仪-EMXmicro介绍
[11-14] 剖析工业废水处理流程-马鲁铭
[05-17] 原子层沉积系统含快猫社区APP成人官网发生器参数介
[02-13] 给水处理快猫社区APP成人官网系统检测评估技术规程
[11-30] 膜法快猫社区APP成人官网浓度测试器技术参数和和招
[07-01] 快猫社区APP成人官网发生器如何工作及内部构成
[06-27] 快猫社区APP成人官网催化氧化实验哪些条件影响反应
[06-25] 快猫社区APP成人官网在气态和液态半衰期时长
[06-17] 如何测量、查看和研究纳米级气泡
[06-05] 纳米气泡机可以延长快猫社区APP成人官网在水中的半
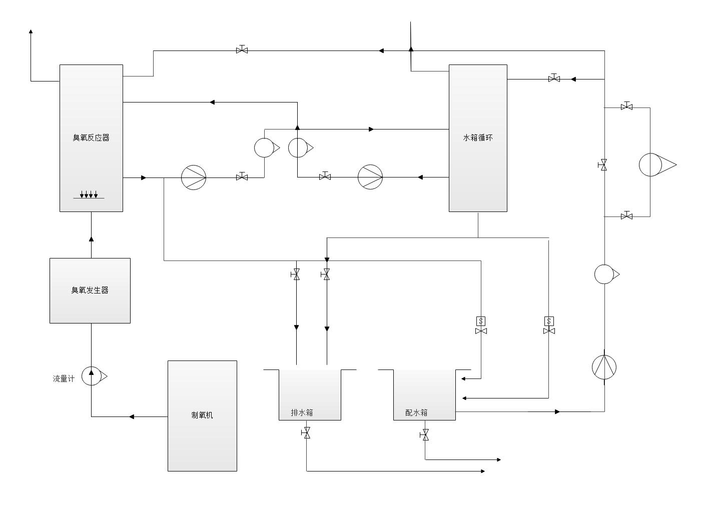
[05-21] 快猫社区APP成人官网催化氧化装置的基本工艺流程
[05-29] 快猫社区APP成人官网处理絮凝膜浓缩物中OBPs的分子特
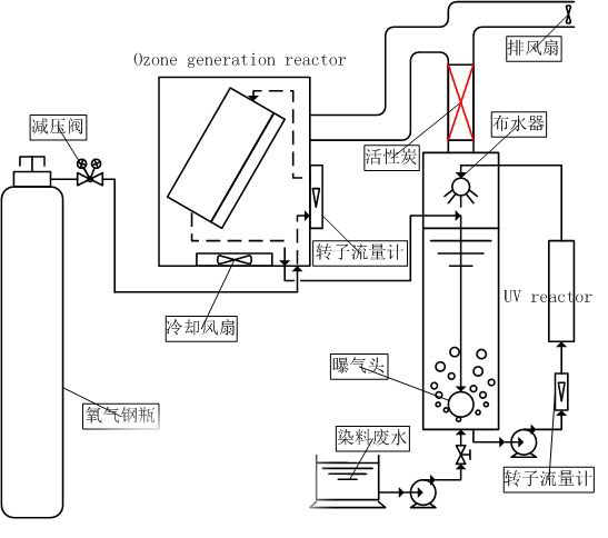
[02-19] 快猫社区APP成人官网氧化印染工业园废水影响因素研
[10-26] 恭喜山西大学秦老师关于小鼠快猫社区APP成人官网实
[07-21] 【ESE研究论文】快猫社区APP成人官网催化剂定制化制
[06-13] 电催化氧化处理市政污水的实验研究
[04-26] O3/TiO2-NF/H2O2 工艺深度处理焦化废水









